Volvo 240 Alternator Wiring Diagram

Rj11 Socket Wiring Diagram Australia, How to punch down an RJ11 Telephone Jack, 6.36 MB, 04:38, 387,634, CableSupply.com, 2009-08-05T00:16:07.000000Z, 19, Rj11 Socket Wiring Diagram Australia | Computacion, Redes de computadoras, Computadoras, www.pinterest.com.mx, 728 x 783, jpeg, rj11 wiring rj45 diagram cable ethernet usb jack pinout adapter cat5 female male convert using rs485 cat wires code socket, 20, rj11-socket-wiring-diagram-australia, Anime Arts
Vdo clock repair (capacitors) adding a large tach to your 240: Adding a small tach to your 240: Adding an oil temp gauge: Bypassing the dash lighting r heostat:
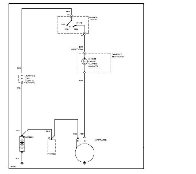
3 wire alternator wiring diagram. The circuit is made up of three major wires: A positive cable for the battery, a voltage detecting wire, and an ignition wire. The engine is connected to the ignition input wire. Volvo s40 2016 owners manual. Welcome to electronic wiring diagram. 240 fuse panel page. This collection of marine motor wiring diagrams is 712 pages. 12v schematic volvo product schematics 22622040 03 1 2 1 106 wiring diagram index name description page aa power distribution frc 3 ab power distribution frc 4 ac power supply circuit protection 34 ef 5 ad.
Volvo 240 Alternator Wiring - Complete Wiring Schemas

Wiring Diagram For 1990 Volvo 240 - Wiring Diagram

1989 Volvo 240 Alternator Wiring Diagram - Search Best 4K Wallpapers

Battery or Alternator?: I Have An 1986 Volvo 240 GL and the

1989 Volvo 240 Alternator Wiring Diagram - Search Best 4K Wallpapers
Volvo 240 Alternator Wiring - Complete Wiring Schemas
Volvo 240 Dl Diagrams

Volvo 240 Wiring Diagram Alternator
